Links

GitHub

Open HUB

Quick Links

Download

STREAMS

SIGTRAN

SS7

Hardware

SCTP

Related

Package

Manual

Manual Pages

References

Conformance

Performance

Documentation

Design

Status

FAQ

MG Stack

Media Gateway

H.248/MEGACO

MGCP

Multiplex/Channel

RTP

MG Stack Manager

Design

Applications

SS7 Stack

ISDN Stack

SIGTRAN Stack

VoIP Stack

MG Stack

SS7/ISDN Devices

IP Transport

Embedded Systems

Operating System

Documentation

FAQ

SIGTRAN

Design

Conformance

Performance

References

Man Pages

Manuals

Papers

Home

Overview

Status

Documentation

Resources

About

News

Media Gateway (MG)

Description: OpenSS7 Design Documentation MG Switching Stack MG.

A PDF version of this document is available here.

OpenSS7 Media Gateway Platform

OpenSS7 Media Gateway Platform High-Level Design

About This Manual

This is Edition 7.20141001, last updated 2014-10-25, of The OpenSS7 Media Gateway Platform High-Level Design, for Version 1.1 release 7.20141001 of the OpenSS7 package.


Executive Overview

This document provides a High-Level Design for the OpenSS7 Media Gateway Platform. The initial and primary purpose of this equipment is to provide a scalable, carrier-grade platform for terminating TDM voice circuits from the PSTN and providing Media Gatway capabilities for those terminated circuits. The purpose is both one of hard switching, where circuits are directly connected, as well as soft switching, where circuits are converted to RTP sessions and passed to another Media Gateway.

The OpenSS7 Project

The OpenSS7 Project is an open source software project that has developed many protocol components within the SS7, SIGTRAN, ISDN and VoIP protocol stacks. Intellectual property rights for the OpenSS7 Project are held by OpenSS7 Corporation. All OpenSS7 Project software is eventually licensed under the GNU Affero General Public License Version 3. OpenSS7 Corporation also provides commercial licensing of OpenSS7 Project software under terms less restrictive than the AGPL.

OpenSS7 Media Gateway (MG) Platform

OpenSS7 can provide VoIP gateway capabilities in a high-performance, low-cost, small-footprint platform leaveraging the GNU/Linux operating system distributions and tools, and utilizing low-cost commodity, or high-quality standardized hardware.

For details on platform applications, see Application Architecture, Network Architecture, Optional Application Support, and Optional Network Support.

Open Source Software

The OpenSS7 Project leverages the widespread use of GNU/Linux operation systems, distributions, and FSF tools such as ‘autoconf’ and RPM. For example, this document was formatted for PDF, HTML, info and plain text using the GNU texinfo system, ‘autoconf’, and the TeX formatting system.

The open source model avoids proprietary lock-in and permits in-house or outsourced development. All source code is available for use and modification by the end customer. All build tools, documentation and associated resources are generally available. The availability of the source code and complete documentation eases problem resolution and can offer upgrades and fixes even in advance of client problem reports.

For details on software solutions, see Protocol Architecture, Software Architecture, Optional Protocol Support, and Optional Software Support.

Commodity Hardware

By best utilizing commodity PC or standardized CompactPCI hardware, OpenSS7 makes available the highest performance platforms available on the market at back-to-school prices. When carrier-grade and large scale is not essential, 3GHz Pentium class servers in hardened rack mount chassis can be used at a fraction of the cost, and yet outperform, other solutions. Where carrier-grade is necessary, embedded Linux on standardized PICMG 2.16 NEBS compliant chassis make for a higher cost, but more reliable alternative.

For details on hardware solutions, see Platform Architecture, Hardware Architecture, and Optional Hardware Support.

Integrated Management

Utilizing open source management tools, such as net-snmp and OSIMIS, OpenSS7 protocol stacks provide integrated management support for SNMPv2c, SNMPv3, or CMISE/CMIP. The entire platform, from alarms to provisioning, can be provided using integrated SNMP agents.

For details on management solutions, see Platform Architecture, Management Architecture, and Optional Management Support.

Rapid Development

The OpenSS7 Project has already developed protocol components completing the SS7 and SIGTRAN signalling stacks including MTP Level 2 and Level 3, ISUP, SCCP, TCAP; and SCTP, M2PA, M2UA, M3UA, SUA and TUA. Development of a Carrier VoIP Switch to meet initial field requirements needs only the development of some intermediate and auxillary modules.

For details on scheduling, see Logistics.

An Evolving Solution

The OpenSS7 Project is evolving to support more protocol stacks including ISDN and VoIP. Support for an ever expanding capability is demonstrated by the additional options available as described in Optional Application Support, Optional Network Support, Optional Protocol Support, Optional Software Support, and Optional Hardware Support.

Conclusions

In summary, an OpenSS7 Carrier VoIP Switch an excellent application of the OpenSS7 SS7 and VoIP stacks and can be provided at a affordable price on short time-lines, while offering an evolution path for future deployment applications.





Brian Bidulock The OpenSS7 Project


Preface

Document Information

Abstract

This document provides a High-Level Design for the OpenSS7 Media Gateway Platform.

Objective

The objective of this document is to provide a High-Level Design for the development of a low cost, high-performance, OpenSS7 Media Gateway Platform using OpenSS7 protocol components, software, and compatible systems and hardware.

Intent

The intent of this document is to act as a High-Level Design for a project for an High-Level Design. As a High-Level Design, this document discusses components and systems which are not necessarily complete. OpenSS7 Corporation is under no obligation to provide any software, system or feature listed herein.

Audience

This document is intended for a technical audience. The reader should be familiar with most ETSI, ITU-T and ANSI, Signalling System No. 7 recommendations, H.323, H.225, H.245, as well as IETF drafts and RFCS for RTP, SIP, SIP-T, MEGACO, MGCP, and SIGTRAN protocols.

Revisions

Take care that you are working with a current version of this document: you will not be notified of updates. To ensure that you are working with a current version, contact the Author, or check The OpenSS7 Project website for a current version.

Version Control

$Log: mg.texi,v $
Revision 1.1.2.4  2011-08-07 11:14:29  brian
- mostly mandriva and ubuntu build updates

Revision 1.1.2.3  2011-07-27 07:52:16  brian
- work to support Mageia/Mandriva compressed kernel modules and URPMI repo

Revision 1.1.2.2  2011-02-07 02:21:35  brian
- updated manuals

Revision 1.1.2.1  2009-06-21 10:46:55  brian
- added files to new distro

ISO 9000 Compliance

Only the TeX, texinfo, or roff source for this document is controlled. An opaque (printed or postscript) version of this document is an UNCONTROLLED VERSION.

Disclaimer

OpenSS7 Corporation disclaims all warranties with regard to this documentation including all implied warranties of merchantability, fitness for a particular purpose, non-infringement, or title; that the contents of the document are suitable for any purpose, or that the implementation of such contents will not infringe on any third party patents, copyrights, trademarks or other rights.. In no event shall OpenSS7 Corporation be liable for any direct, indirect, special or consequential damages or any damages whatsoever resulting from loss of use, data or profits, whether in an action of contract, negligence or other tortious action, arising out of or in connection with any use of this document or the performance or implementation of the contents thereof.

OpenSS7 Corporation reserves the right to revise this software and documentation for any reason, including but not limited to, conformity with standards promulgated by various agencies, utilization of advances in the state of the technical arts, or the reflection of changes in the design of any techniques, or procedures embodied, described, or referred to herein. OpenSS7 Corporation is under no obligation to provide any feature listed herein.

Document Organization

This document is organized as follows:

Introduction

Introduction to the OpenSS7 Media Gateway Platform application.

Application Architecture

The application requirements and architecture.

Network Architecture

The network architecture for the application.

Reference Architecture

The reference architecture for the application.

System Architecture

The architecture of the OpenSS7 Media Gateway Platform system.

Platform Architecture

The architecture of the OpenSS7 Media Gateway Platform platform.

Protocol Architecture

The protocol architecture supporting the application.

Software Architecture

The software architecture supporting the protocol stack and application.

Hardware Architecture

The hardware architecture supporting the protocol stack and application.

Management Architecture

The management architecture supporting the system and application.

Logistics

Project logistics for completion of the OpenSS7 Media Gateway Platform application.

Optional Application Support

Additional application support not directly contributing to the current objective.

Optional Network Support

Additional network interface support not directly contributing to the current objective.

Optional Protocol Support

Additional protocol component support not directly contributing to the current objective.

Optional Software Support

Additional software support not directly contributing to the current objective.

Optional Hardware Support

Additional hardware support not directly contributing to the current objective.

Optional Management Support

Additional managment component support not directly contributing to the current objective.

Programmatic Interfaces

Programmatic interfaces to selected protocol components.

Platform Sizing

Detailed platform sizing considerations.

Index

Index of concepts, manual pages, etc.


1 Introduction

This document provides a High-Level Design for a platform to provide the OpenSS7 Media Gateway Platform capabilities. The primary driver for the OpenSS7 Media Gateway Platform is to provide a system capable of interconnecting a VoIP backbone to the PSTN using SS7. This document provide a high-level design and proposal for a production system to provide this capability at a number of scale points.

The proposal utilizes, where possible, existing OpenSS7 protocol stack components and provides a development plan for components that are specific to the OpenSS7 Media Gateway Platform initial requirements.

This document discusses the resulting software configuration that will be put in place on the production system, the platform configuration for the production system, and a network configuration for deployment. Also discussed is an overview of the project management logistics for successful completion over the course of this development project.

It is intended that this document be a “living” document, that is updated over the course of this development project.


1.1 The OpenSS7 Media Gateway

This project provides an OpenSS7 Media Gateway Platform that provides interconnection to the PSTN using TDM circuits and is capable of routng call to and from the PSTN and a VoIP backbone network using hard switching, physical circuit switching, or soft switching, RTP transport.


1.2 Project Drivers

The lead purpose of the OpenSS7 Media Gateway Platform is to provide PSTN interconnection to an existing VoIP backbone deployment infrastructure that lacks same.


1.3 Scope

Because the focus on low cost, high performance, and production stability, the OpenSS7 Media Gateway Platform is constructed using commodity computing platforms and PCI based hardware cards, but using hardenned NEBS-3/ETSI compliant chasses in an active/standby failover configuration. This will result in a cost-effective carrier grade system for mid- to low deployment cost.

Because of early deployment drivers yet requirements for scale, the OpenSS7 Media Gateway Platform platform is constructed using standardized PICMG 2.16 telephony hardware in a NEBS 3/ETSI compliant chassis providing carrier-grade serviceability and reliability. Non-carrier-grade platforms utilizing commodity PC hardware for lower scale installations are possible.


1.3.1 Phases

The longer term project is broken into the following phases:

Phase 1

The initial phase of the project is intended to provide the capabilities of the OpenSS7 Media Gateway Platform operation for the deployment platform.

Phase 2

The second phase of the project is intended on performing SS7 signalling interoperability testing for live deployment of the signalling gateway production platform.

Phase 3

The third phase of the project is to integrate the deployment platform with the OpenSS7 VoIP Switch using the Internet Protocol suite.

Phase 4

The fourth phase of the project is to perform interoperability testing and a field trial of the deployment platform.

Phase 5

The fifth phase of the project is to complete management system integration for remote monitoring and provisioning for production service.


1.3.2 Gates

Each phase of the project consists of seven gates. The seven gates are defined as follows:

Gate 0 — Concept

Gate 0 is passed when the initial concept has been elucidated and work is begun on a High-Level Design. This is an internal OpenSS7 gate.

Gate 1 — High Level Design

Gate 1 is passed when the high-level design has been reviewed to the satisfaction of the consumers of the project. This is an external review gate. OpenSS7 internally passes this gate once the High-Level Design has been published and work is begun on a detailed design.1

Gate 2 — Detailed Design

Gate 2 is passed when the detailed design has been reviewed to the satisfaction of the consumers of the project and the developers on the project. This is an external as well as an internal review gate. OpenSS7 passes this gate once the Detailed Design has been published and work has begun on development and implementation of the design.2 Passing this gate moves from the design stage to the development stage of the project.

Gate 3 — Deployment and Implementation

Gate 3 is passed when the software and systems development and implementation to the detailed design is complete and testing has begun. This is an internal review gate. OpenSS7 internally passes this gate when software is code complete and hardware has been installed for testing.

Gate 4 — System Test

Gate 4 is passed once the product implementation meets all internal ad hoc and formal conformance test suites and internal testing is complete. This is an internal review gate. OpenSS7 passes this gate internally once conformance testing is complete. Passing this gate moves from the development stage to the support stage of the project.

Gate 5 — Acceptance Test

Gate 5 is passed once the product implementation has passed external Gamma client acceptance testing. This is an external review gate. OpenSS7 passes this gate internally once participation in external acceptance testing is complete.

Gate 6 — Project Complete

Gate 6 is passed once all support obligations for the product implementation have been discharged. This is an internal review gate. OpenSS7 passes this gate once support agreements have terminated.

For more details on Gate scheduling for Phase 1, 2 and 3 of the project, see Schedule.


2 Application Architecture

The OpenSS7 Media Gateway Platform is intended to provide high performance and high-density PSTN to VoIP backbone gateway.


2.1 Application Background


2.2 Application Objectives


2.3 Application Requirements

Application requirements have been broken into 5 phases using the timeboxing approach.

2.3.1 Phase 1 Requirements

Phase 1 requirements provide an OpenSS7 Media Gateway Platform capability that will connect an existing H.323 VoIP network to the PSTN using SS7 ISUP trunks.

2.3.2 Phase 2 Requirements

Phase 2 requirements provide SIP-T capabilities.

2.3.3 Phase 3 Requirements

Phase 3 requirements provide network service capabilities.

2.3.4 Phase 4 Requirements

Phase 4 requirements expose internal interfaces to provide softswitch capabilities.

2.3.5 Phase 5 Requirements

Phase 5 requirements complete full VoIP (NGN) switching.


2.4 Solution Architecture

Although the functions of Media Gateway Controller, Media Gateway and Signalling Gateway have been decomposed, and in the past these functional groups have been implemented on separate physical platforms, modern compute capacity and densities permit these functions to be integrated into a single physical platform without limitation. Open standard interfaces are utilized internal to the platform to permit a decomposed model to be split out and to permit ETSI Tiphon Version 4 compatibility as well as Multi-Services Forum Version 2 compatibility.

2.4.1 OpenSS7 Media Gateway Platform for Deployment

In light of the foregoing, the solution architecture takes the form of an integrated media gateway capable of providing a number of functional groups in the traditional models. The OpenSS7 Media Gateway Platform integrates the following functional groups while still permitting standard interfaces to be exposed for maximum deployment flexibility:


2.5 Message Flows

This section provides some illustrative application call flows:3


3 Network Architecture

Figure 3.1 illustrates the call path for various calls within the softswitching complex.

  1. Intra-MG calls originate on a network SSP and terminate on a network SSP, both attached to the same MG. This is an intra-MG call in that the call never traverses more than one MG.
  2. Inter-MG calls originate on a network SSP and terminate on a network SSP, each attached to a different MG. This is an inter-MG call within the same switching complex as the call traverses two MGs.
  3. Trans-MG calls originate on a network SSP and terminate on a network VoIP gateway.
Network Architecture

Figure 3.1. Network Architecture

Signalling is via a path typically separate from the MG. In the illustration in Figure 3.1, the signalling is via external STPs that are attached to switching complex Signalling Gateways (SGs) that communicate with the Media Gateway Controller. In some arrangements, the MG is possibly also a Signalling Gateway.

Network Architecture

Figure 3.2. Network Architecture

Figure 3.2 illustrates the placement of the Media Gateway (MG) within the decomposed Service Switching Point and its connection to Media Gateway Controllers within the switching complex as well as to Service Switching Points (SSPs) in the external network. As illustrated, the MG terminates media gateway control messaging from the Media Gateway Controller (MGC) and attaches to external network SSPs using TDM voice trunks.


4 Reference Architecture

4.1 ETSI TIPHON

Figure 2.1 illustrates the ETSI TIPHON reference architecture.

Reference Architecture

Figure 2.1. Reference Architecture

4.1.1 ETSI TIPHON Entities

The ETSI TIPHON model illustrated in Figure 2.1 contains the following reference entities:

Terminal:

The H.323, SIP or MEGACO Terminal support the A or B interface. The A interface is used for communicating with an H.323 Gatekeeper; SIP Forwarding Server, Proxy Server or User Agent.

Terminal devices are external to the NG switching complex. In initial phases, Terminal device interface A (see ‘Reference Interface A’) will only be supported via external H.323 Gatekeepers; SIP Forwarding Server or SIP Proxy Server. Direct Terminal device attachment for H.323, SIP and H.248 Terminals will be supported in later phases.

Gatekeeper:

The H.323 Gatekeeper, SIP Forwarding Server, or SIP Proxy Server, supports the A, C, D and G interfaces.

The NG switching complex will support an internal Gatekeeper function that will intially support the D and C interfaces, and will support the A interface in later phases. Intitially the G interface will be internal to the platform, and will be exposed in later phases.

In the NG switching complex, the Gatekeeper performs the role of a call-by-call server (and is termed the CBC) which performance access authorization, routing and other functions on a call by call basis, for FGD, H.323 and SIP calls.

Media Gateway Controller:

The H.323 or SIP Media Gateway Controller supports the C, F, J and N interfaces. The NG swtiching complex will incorporate an integral Media Gateway Controller function. In the field deployment the C, F, J and N interfaces will be exposed.

The SIP Media Gateway Controller is primarily responsible for conversion of SCN signalling from the PSTN on the J interface to VoIP signalling tot he SIP Redirect/Proxy server on the C interface. Also, the SIP MGC must coordinate this conversion with the control of media conversion from G.703/704 G.711 A- and mu-law circtuis from the PSTN to RTP/RTCP channels within the VoIP network.

Media Gateway:
Signalling Gateway:
Back End:
Session Border Controller:

The Session Border Controller is not illustrated in the ETSI TIPHON illustration, Figure 2.1.

In essesnce a Session Border Controller is a security devices but may also be a protocol conversion device. The Session Border Controller sits on the A, B or D interfaces, when those interfaces span an administrative, security or protocol domain.

4.1.2 ETSI TIPHON Reference Points

The ETSI TIPHON model illustrated in Figure 2.1 contains the following reference interfaces:

Interface A
Interface B
Interface C
Interface D
Interface E.a
Interface E.b
Interface F
Interface G
Interface J
Interface N

4.2 Interfaces

Interfaces

Figure 2.3. Interfaces

The interfaces suppored by the OpenSS7 Media Gateway Platform are illustrated in Figure 2.3. The interfaces are enumerated as follows:

  1. Primary Media Gateway Controller (MGC) Interface

    This interface provides primary MGC circuit switching control. Typical protocols include an H.248/MEGACO and Q.1950 profile. The profile should include an Intra-MG and Inter-MG switching package in the profile.

  2. Secondary Media Gateway Controller (MGC) Interface

    This inteface provides secondary (backup) MGC circuit switching control. Typical protocols include an H.248/MEGACO and Q.1950 profile. The profile should include an Intra-MG and Inter-MG switching package in the profile.

  3. Service Switching Point (SSP) Interface Type I

    This interface is an Inter-Machine or PABX Trunk based on CAS signalling, with Type I signalling (customer). The physical interface is T1, E1, J1, T3, E2, OC3, OC12 or OC48.

  4. Service Switching Point (SSP) Interface Type II

    This interface is an FGD Inter-Machine Trunk on SS7 or CAS signalling, with Type II signalling (local or toll tandem). The physical interface is T1, E1, J1, T3, E2, OC3, OC12 or OC48.

  5. Data Session Border Gateway (D-SBG) Interface

    This interface is RTP/RTCP over UDP over Internet Protocol (IP). The D-SBG provides pinhole firewall control over RTP/RTCP sessions under control of the S-SBG.

  6. Media Gateway (MG) Interface

    This interface is an MG to MG interface. This interface multiplexes TDM signals over an IP network connection using a profile of ITU-T and IETF NGN protocols. Switching to and from these interfaces are controlled via an Inter-MG switching package on the MG. Multiple MG can be ganged together in this fashion to appear as a signle switching fabric to the MGC.

  7. Signalling Session Border Gateway (S-SBG) Interface

    This interface is unused.

  8. Operations Support System (OSS) Interface

    This interface provids OAM&P for the MG platform. The protocol is a management profile that can include SNMPv2c, SNMPv3, CMISE/CMIP, CMOT, IPMI, CIM, DTMF, WS-MAN, etc.

These interfaces and the protocol profile requirements are detailed in the sub-sections that follow:

4.2.1 Primary MGC Interface

4.2.2 Secondary MGC Interface

4.2.3 SSP Type I Interface

4.2.4 SSP Type II Interface

4.2.5 D-SBG Interface

4.2.6 MG Interface

4.2.7 S-SBG Interface

4.2.8 OSS Interface


5 System Architecture

This section details the solution system architecture. The solution system architecture consists of the computing platform and it placement within the locale installation environment.

The solution system has the following requirements:

  • — 19" rack.
  • — -48 VDC electrical power.
  • — CO cooling.
  • — Bantam to RJ-48c patch pannel.
System Architecture

Figure 4.1. System Architecture


6 Platform Architecture

This section details the platform architecture. The solution platform architecture consists of the computing platform and associated hardware, interfaces and peripherals.

Figure 5.1 illustrates the solution platform rack configuration.

Rack Mount Components

Figure 5.1. Rack Mount Components

The solution platform consists of the following:

  • — Two hardened PC (2U) chassis per system.
  • — Two GigE (1000baseT) RJ-48c Layer 2 Ethernet Switches.
  • — Two 1-1 DSX 14 T1 patch pannels.

6.1 Platform Capacity

The PC chasses is equipped with the following:4

  • – 2 x 3.2GHz Xeon class E7520 based Motherboard.
  • – 2 x 100MHz PCI-X 2.1 bus.
  • – 4G DDR memory.
  • – 2 x Ultra320 SCSI hard drives.
  • – 2 X GigE Ethernet NICs.
  • – 3 x V401PT Quad T1 interface cards.

7 Protocol Architecture

Figure 6.1 illustrates the protocol configuration of the OpenSS7 Media Gateway Platform system. The protocol stack uses the following OpenSS7 stack components:

Protocol Architecture

Figure 6.1. Protocol Architecture


7.1 Protocol Components

The following Protocol Components are provided as part of the OpenSS7 MG stack:


7.1.1 Media Gateway (MG) Stack Manager

The Media Gateway (MG) Stack Manager provides management of the MG stack components. It is discussed in more detail in Management Architecture.


7.1.2 Media Gateway (MG) Switching Application


7.1.3 Media Gateway (MG) Driver

The Media Gateway (MG) Driver provides a unified interface to local switching functions, remote switching functions, and media gateway server functions. The driver controls a local MX driver to perform local switching functions and accesses the client version of the MEGACO/H.248 driver to perform remote switching functions. The server version of the MEGACO/H.248 driver is accessed by the MG driver to provide control of MG functions to a remote MGC.


7.1.4 MEGACO/H.248 (H248) Driver

The MEGACO/H.248 (H248) Driver provides a media gateway interface to local or remote switching functions using the MEGACO/H.248 protocol and packages. A client version of the driver is located at the Media Gateway Controller and a server version of the driver is located at the Media Gateway. This project uses the server version of the driver.


7.1.5 Multiplex/Channel (MX/CH) Driver

The Multiplex/Channel (MX/CH) Driver performs soft-switching of multiplex Streams as well as channel access to channels within multiplex Streams. This driver links multiplex interfaces beneath it and presents both multiplex and channel interfaces to it users. For this project, the MX/CH driver is used to link PCI 532 DE, V401P, VToIP or RTP/RTCP MX Streams beneath the driver and provide channel access to DS0, DS1 or full DS3 channels within the multiplex for use by the Media Gateway. Multiplex streams present an MX interface to its users. Channel streams present a CH interface to its users. The CH interfaces are converted to appropriate Streams using additional modules.

The MX/CH drivers supports T1, E1 and J1 operation, as well as T3 and E2 operation, both for locally attached TDM trunks, locally terminated VToIP trunks, and RTP/RTCP streams. The driver provides a specialized MX and CH interface to its users.

This is an existing OpenSS7 channel stack component; for documentation see mx(4) and ch(4).

The Multiplex/Channel (MX/CH) driver is responsible for providing CH services to its users.


7.1.6 PCI 532 DE Multiplex (MX) Driver

The PCI 532 DE Multiplex (MX) Driver provides MX services for locally attached DSX-3 or E3 facilities. This driver provides hardware interface to TDM facilities and allows the MX driver to provide transparent switching capabilities for DSX-3 or E3 TDM facilities.

The PCI 532 DE MX driver supports DSX-3 and E3 oepration for locally attached TDM trunks. The driver provides a specialized MX interface at the DS3 rate to its users. Neither a DS1 rate MX interface nor a NxDS0 CH interface is provided. A DS1 rate MX interface and NxDS0 CH interface can be acessed by linking this driver under the generic MX/CH driver.

This is an existing OpenSS7 channel stack component; for documentation see pci532(4) and mx(4).


7.1.7 V401P Multiplex (MX) Driver

The V401P Multiplex (MX) Driver provides MX services for locally attached DSX-1 or E1 facilities. This driver provides hardware interface to TDM facilities and allows the MX driver to provide transparent switching capabilities for DSX-1 or E1 TDM facilities.

The V401P MX driver supports DSX-1, E2 and J2 operation for locally attached TDM trunks. The driver provides a specialized MX interface to its users. A CH interface is not provided but can be accessed by linking this driver under the generic MX/CH driver.

This is an existing OpenSS7 channel stack component; for documentation see v401p(4) and mx(4).


7.1.8 Voice Trunking over IP (VToIP) Driver

The Voice Trunking over IP (VToIP) Driver provides MX services for virtual trunks using ITU-T Recommendation Y.1452, or transparent unstructured DSX-1, E1, DSX-3, E3 MX services using ITU-T Recommendation Y.1453. This driver uses ATM AAL1 or AAL2 CPS PDUs encapsulated in RTP or UDP packets. The primary purpose of this driver for the OpenSS7 Media Gateway Platform is to provide Inter-MG switching capabilities utilizing distributed matrix control.

The VToIP MX driver supports unstructured DSX-3 and E3 operation, structured and unstructured DSX-1 and E1 operation, and structure NxDS0 operation. The driver provides a specialized MX or CH interface to its users. The driver can be linked under the generic MX/CH driver for transpartent matrix switching operation.

This is an existing OpenSS7 channel stack component; for documentation see vtoip(4), mx(4) and ch(4).


7.1.9 Real-Time Transport (Control) Protocol (RTP/RTCP) Driver

The Real-Time Transport (Control) Protocol (RTP/RTCP) Driver provides MX services for RTP/RTCP voice channels. This driver maps individual RTP/RTCP streams into an MX group for use with the Generic MX/CH driver. The driver provides codec conversion to and from G.711 mu- or A-law, jitter buffering, digital padding, echo cancellation and other VoIP mechanisms including out-of-band DTMF.

The RTP/RTCP drivers supports audio profile streams. The driver provides a specialized MX or CH interface to its users. The driver can be linked under the generic MX/CH driver for transparent matrix switching operation.

This is an existing OpenSS7 channel stack component; for documentation see rtp(4), mx(4) and ch(4).


7.1.10 User Datagram Protocol (UDP) Driver

The User Datagram Protocol (UDP) Driver is a STREAMS based driver providing access to the underlying UDP layer in the Linux kernel. The primary use of this component in the OpenSS7 Media Gateway Platform is to provide UDP services to the RTP/RTCP driver, the VToIP driver, and the MEGACO/H.248 driver. This is an existing OpenSS7 XNS stack component; for documentation, see udp(4).


7.1.11 Stream Control Transmission Protocol (SCTP) Driver

OpenSS7 has two implementations (STREAMS and Linux Sockets) that provide support for this new transport protocol and that provide transport for SIGTRAN and other protocols. The STREAMS SCTP implementation provides an NPI Revision 2.0 and TPI Revision 2.0 interface to its users. Alos supported is an X/Open XNS 5.2 XTI Library and ITOS (ISO over SCTP). The Linux Native SCTP implementation provides a Sockets interface.

This is an existing OpenSS7 SIGTRAN stack component; for documentation, see: sctp(4). Phase 1 activities for SCTP include integration testing with the SG components.


7.1.12 Transmission Control Protocol (TCP) Driver


7.1.13 Internet Protocol (IP) Driver

The Internet Protocol (IP) Driver is a STREAMS based driver providing access to the underlying IP layer in the Linux kernel. The primary use of this component in the OpenSS7 Media Gateway Platform is to provide IP services to the UDP, RTP/RTCP, and VToIP drivers. This is an existing OpenSS7 XNS stack component; for documentation, see ip(4).


8 Software Architecture


9 Operations Architecture

This chapter details the software configuration of the OpenSS7 solutions. OpenSS7 stack software is based on the STREAMS facility running on the Linux Operating System. This provides for use of the Linux Operating System while maintaining portability and consistency with major UNIX operating systems that provide an SVR 4.2 ES/MP STREAMS facility.


9.1 Linux Operating System

The OpenSS7 STREAMS releases and stacks currently support the 2.4, 2.6 and 3.x Linux Kernel. A Linux kernel version greater than or equal to 2.4.18 is recommended for 2.4 kernels. The Linux 2.5 series kernels are not supported. A Linux kernel version greater than or equal to 2.6.9 is recommended for 2.6 kernels. Any kernel beginning with 3.0 in the 3.x kernel series is acceptable. Linux 2.4, 2.6 and 3.x kernels released by popular distributions are supported. These include kernel.org releases, RedHat (7.2, 9, EL3, AS/EL4, EL5, EL6), WhiteBox (EL3, EL4), Fedora Core (FC1-FC15), Debian (Woody-Wheezy), Ubuntu (6.10-11.04), SuSE (8.2-12.4 OSS, 9.0-12.1 SLES), CentOS(4, 5 and 6), Lineox (4 and 5), Scientific (5 and 6), PUIAS (5 and 6), Oracle (5 and 6). Currently our preferred distribution is CentOS 5 with all updates applied.

Although OpenSS7 STREAMS SS7 and SIGTRAN stacks are tested primarily on ix86 hardware, the stacks compile and install on PPC (MPC 8260, Freescale 440), HPPA, and other processor architectures supported by the Linux 2.4, 2.6 and 3.x kernels.

For the current project, RedHat AS/EL5 or CentOS 5 is recommended.


9.2 STREAMS Facility

OpenSS7 STREAMS SS7 and SIGTRAN stacks utilize a SVR 4.2 ES/MP STREAMS facility.


9.3 OpenSS7 SS7 and SIGTRAN Stacks

The OpenSS7 SS7 and SIGTRAN stacks are implemented using the STREAMS facility. Protocol moduels within the stack are implemented as STREAMS modules, device drivers, multiplexing drivers and pseudo-device drivers. The STREAMS facility has the ability to stack modules and multiplexing drivers above read or pseudo-device drivers using the STREAMS I_PUSH(7) an I_LINK(7) facilities. Since STREAMS modules and drivers run within the context of the Operating System Kernel using message-based scheduling, greatly increased performance is experienced over equivalent user-space applications. STREAMS modules and drivers communicate by passing priority. In addition, STREAMS provides memory management, timer, locking, syncrhonization, flow control and other facilities commonly used by protocol modules.

SS7 to ISO/OSI Mapping

Figure 7.1. SS7 to ISO/OSI Mapping

Each OpenSS7 protocol module provides standardized X/Open ISO/OSI interfaces as well as more SS7 specialized interfaces. Many of the OpenSS7 protocol modules provide TPI Revision 2.0 interfaces with support fot he OpenSS7 XTI/TLI Library.

STREAMS SS7/SIGTRAN Stack Architecture

Figure 7.2. STREAMS SS7/SIGTRAN Stack Architecture

Figure 7.2 illustrates the organization of STREAMS modules, multiplexing drivers, pseudo-device drivers and real device drivers in the OpenSS7 SS7 stack. At each interface, the equivalent SIGTRAN User Adaptation Layer (UA) can be used. So, for example, between MTP Level 3 and its Users, the M3UA protocol can be employed. Each UA provides the same lower layer interface and upper layer interface. So, M3UA provides an MTP/MTP-User interface at its lower layer interface as well as at it supper layer interface.


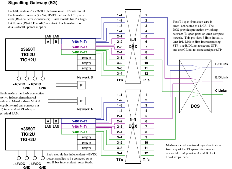
10 Hardware Architecture

Figure 8.1 illustrates the hardware configuration for the OpenSS7 Media Gateway Platform.

Platform Architecture

Figure 8.1. Platform Architecture

Platform Architecture

Figure 8.2. Platform Architecture

The configuration show in Figure 8.1 shows:

  • Two compute nodes attached in a fully redundant configuration.
  • Each compute node has 3 x V401P-SS7 cards proding quad DSX-1 connectivity per card, for a total of 12 DSX-1’s per compute node.
  • Each compute node is attached via cross-connect over 12 DSX-1’s (each) to a DACS which has drop-down capability on each pair of DSX-1’s consisting of one DSX-1 from each compute node.
  • On the IP network side, each compute node supports 2 GigE NIC ports.
  • Each NIC port on each compute node is attached to a GigE rail or swtich which subsequently attacheds to two Routers, one for Network A and one for Network B.
  • The configuration shown supports up to 288 low-speed (56 or 64 kbps) signalling links or up to 12 high-speed (1.544 Mpbs) signalling links.
  • Compute nodes communicate with each other over the IP network, either via local switch or remote router, using M2UA. This SIGTRAN protocol permits the compute node to logically share their V401P-SS7 hardware interfaces.
  • Compute nodes communicate with the associated STP pair via TDM links as well as using the M2PA protocol. The M2PA SIGTRAN protocol provides an IP-based high-speed SS7 link and is used to augment TDM links to implement C-Links on the platform.
  • Compont nodes act as SGP within the SG and provide MTP Level 3 and above connectivity to remote application servers using the M3UA SIGTRAN protocol. The M3UA SIGTRAN protocol exports the MTP to MTP-User interface and effectivley transports the interface to the application server from the signalling gateway.

11 Management Architecture

Characteristics of the management architecture are as follows:

  1. The MG is a portion of a managed switching element. As such, the MG is a managed element that is only part of a managed switching element. Management Stations may correlate similar managed data that occurs both on the MGC and the MG, or the MGC might be capable of providing a single managed switching element view.
Management Architecture

Figure 9.1. Management Architecture

The management facilities provided by the hardware platform, operating system and associated subsystems are illustrated in Figure 9.1. They are summarized as follows:

  • Platform Hardware

    The platform hardware provides for physical management of hardware resources. Platform hardware is configured for rack-mount operation in a Telco environment. It provides for field replacable units. A number of hardware features provide for local physical managements, such as sliding rack mounts, cable management, chassis LEDS, unit identification, chassis LEDS, KVM, auxillary DCS panels, monitoring ports, front-panel management controls and ports.

  • Linux Kernel
  • ACPI
  • IPMI
  • Linux Fast-STREAMS
  • SNMP
  • TMN

12 Logistics

12.1 Hardware

12.1.1 Sizing Considerations

12.2 Software

12.3 Consulting


12.4 Schedule

12.4.1 Gate 0 — Concept

12.4.2 Gate 1 — High-Level Design

12.4.3 Gate 2 — Detailed Design

12.4.4 Gate 3 — Development and Implementation

12.4.5 Gate 4 — System Test

12.4.6 Gate 5 — Acceptance Testing

12.4.7 Gate 6 — Support Complete

12.5 Cost


Appendix A Optional Application Support


Appendix B Optional Network Support


Appendix C Optional System Support


Appendix D Optional Platform Support


Appendix E Optional Protocol Support


Appendix F Optional Software Support


Appendix G Optional Hardware Support


Appendix H Optional Management Support


Appendix I Programmatic Interfaces


Appendix J Platform Sizing


Licenses

All code presented in this manual is licensed under the GNU Affero General Public License. The text of this manual is licensed under the GNU Free Documentation License, with no Invariant Sections, no Front-Cover Texts and no Back-Cover Texts. Please note, however, that it is just plain wrong to modify statements of, or attribute statements to, the Author or OpenSS7 Corporation.


GNU Affero General Public License



The GNU Affero General Public License.
Version 3, 19 November 2007
Copyright © 2007 Free Software Foundation, Inc. http://fsf.org/

Everyone is permitted to copy and distribute verbatim copies of this
license document, but changing it is not allowed.

Preamble

The GNU Affero General Public License is a free, copyleft license for software and other kinds of works, specifically designed to ensure cooperation with the community in the case of network server software.

The licenses for most software and other practical works are designed to take away your freedom to share and change the works. By contrast, our General Public Licenses are intended to guarantee your freedom to share and change all versions of a program–to make sure it remains free software for all its users.

When we speak of free software, we are referring to freedom, not price. Our General Public Licenses are designed to make sure that you have the freedom to distribute copies of free software (and charge for them if you wish), that you receive source code or can get it if you want it, that you can change the software or use pieces of it in new free programs, and that you know you can do these things.

Developers that use our General Public Licenses protect your rights with two steps: (1) assert copyright on the software, and (2) offer you this License which gives you legal permission to copy, distribute and/or modify the software.

A secondary benefit of defending all users’ freedom is that improvements made in alternate versions of the program, if they receive widespread use, become available for other developers to incorporate. Many developers of free software are heartened and encouraged by the resulting cooperation. However, in the case of software used on network servers, this result may fail to come about. The GNU General Public License permits making a modified version and letting the public access it on a server without ever releasing its source code to the public.

The GNU Affero General Public License is designed specifically to ensure that, in such cases, the modified source code becomes available to the community. It requires the operator of a network server to provide the source code of the modified version running there to the users of that server. Therefore, public use of a modified version, on a publicly accessible server, gives the public access to the source code of the modified version.

An older license, called the Affero General Public License and published by Affero, was designed to accomplish similar goals. This is a different license, not a version of the Affero GPL, but Affero has released a new version of the Affero GPL which permits relicensing under this license.

The precise terms and conditions for copying, distribution and modification follow.

TERMS AND CONDITIONS
  1. Definitions.

    “This License” refers to version 3 of the GNU Affero General Public License.

    “Copyright” also means copyright-like laws that apply to other kinds of works, such as semiconductor masks.

    “The Program” refers to any copyrightable work licensed under this License. Each licensee is addressed as “you”. “Licensees” and “recipients” may be individuals or organizations.

    To “modify” a work means to copy from or adapt all or part of the work in a fashion requiring copyright permission, other than the making of an exact copy. The resulting work is called a “modified version” of the earlier work or a work “based on” the earlier work.

    A “covered work” means either the unmodified Program or a work based on the Program.

    To “propagate” a work means to do anything with it that, without permission, would make you directly or secondarily liable for infringement under applicable copyright law, except executing it on a computer or modifying a private copy. Propagation includes copying, distribution (with or without modification), making available to the public, and in some countries other activities as well.

    To “convey” a work means any kind of propagation that enables other parties to make or receive copies. Mere interaction with a user through a computer network, with no transfer of a copy, is not conveying.

    An interactive user interface displays “Appropriate Legal Notices” to the extent that it includes a convenient and prominently visible feature that (1) displays an appropriate copyright notice, and (2) tells the user that there is no warranty for the work (except to the extent that warranties are provided), that licensees may convey the work under this License, and how to view a copy of this License. If the interface presents a list of user commands or options, such as a menu, a prominent item in the list meets this criterion.

  2. Source Code.

    The “source code” for a work means the preferred form of the work for making modifications to it. “Object code” means any non-source form of a work.

    A “Standard Interface” means an interface that either is an official standard defined by a recognized standards body, or, in the case of interfaces specified for a particular programming language, one that is widely used among developers working in that language.

    The “System Libraries” of an executable work include anything, other than the work as a whole, that (a) is included in the normal form of packaging a Major Component, but which is not part of that Major Component, and (b) serves only to enable use of the work with that Major Component, or to implement a Standard Interface for which an implementation is available to the public in source code form. A “Major Component”, in this context, means a major essential component (kernel, window system, and so on) of the specific operating system (if any) on which the executable work runs, or a compiler used to produce the work, or an object code interpreter used to run it.

    The “Corresponding Source” for a work in object code form means all the source code needed to generate, install, and (for an executable work) run the object code and to modify the work, including scripts to control those activities. However, it does not include the work’s System Libraries, or general-purpose tools or generally available free programs which are used unmodified in performing those activities but which are not part of the work. For example, Corresponding Source includes interface definition files associated with source files for the work, and the source code for shared libraries and dynamically linked subprograms that the work is specifically designed to require, such as by intimate data communication or control flow between those subprograms and other parts of the work.

    The Corresponding Source need not include anything that users can regenerate automatically from other parts of the Corresponding Source.

    The Corresponding Source for a work in source code form is that same work.

  3. Basic Permissions.

    All rights granted under this License are granted for the term of copyright on the Program, and are irrevocable provided the stated conditions are met. This License explicitly affirms your unlimited permission to run the unmodified Program. The output from running a covered work is covered by this License only if the output, given its content, constitutes a covered work. This License acknowledges your rights of fair use or other equivalent, as provided by copyright law.

    You may make, run and propagate covered works that you do not convey, without conditions so long as your license otherwise remains in force. You may convey covered works to others for the sole purpose of having them make modifications exclusively for you, or provide you with facilities for running those works, provided that you comply with the terms of this License in conveying all material for which you do not control copyright. Those thus making or running the covered works for you must do so exclusively on your behalf, under your direction and control, on terms that prohibit them from making any copies of your copyrighted material outside their relationship with you.

    Conveying under any other circumstances is permitted solely under the conditions stated below. Sublicensing is not allowed; section 10 makes it unnecessary.

  4. Protecting Users’ Legal Rights From Anti-Circumvention Law.

    No covered work shall be deemed part of an effective technological measure under any applicable law fulfilling obligations under article 11 of the WIPO copyright treaty adopted on 20 December 1996, or similar laws prohibiting or restricting circumvention of such measures.

    When you convey a covered work, you waive any legal power to forbid circumvention of technological measures to the extent such circumvention is effected by exercising rights under this License with respect to the covered work, and you disclaim any intention to limit operation or modification of the work as a means of enforcing, against the work’s users, your or third parties’ legal rights to forbid circumvention of technological measures.

  5. Conveying Verbatim Copies.

    You may convey verbatim copies of the Program’s source code as you receive it, in any medium, provided that you conspicuously and appropriately publish on each copy an appropriate copyright notice; keep intact all notices stating that this License and any non-permissive terms added in accord with section 7 apply to the code; keep intact all notices of the absence of any warranty; and give all recipients a copy of this License along with the Program.

    You may charge any price or no price for each copy that you convey, and you may offer support or warranty protection for a fee.

  6. Conveying Modified Source Versions.

    You may convey a work based on the Program, or the modifications to produce it from the Program, in the form of source code under the terms of section 4, provided that you also meet all of these conditions:

    1. The work must carry prominent notices stating that you modified it, and giving a relevant date.
    2. The work must carry prominent notices stating that it is released under this License and any conditions added under section 7. This requirement modifies the requirement in section 4 to “keep intact all notices”.
    3. You must license the entire work, as a whole, under this License to anyone who comes into possession of a copy. This License will therefore apply, along with any applicable section 7 additional terms, to the whole of the work, and all its parts, regardless of how they are packaged. This License gives no permission to license the work in any other way, but it does not invalidate such permission if you have separately received it.
    4. If the work has interactive user interfaces, each must display Appropriate Legal Notices; however, if the Program has interactive interfaces that do not display Appropriate Legal Notices, your work need not make them do so.

    A compilation of a covered work with other separate and independent works, which are not by their nature extensions of the covered work, and which are not combined with it such as to form a larger program, in or on a volume of a storage or distribution medium, is called an “aggregate” if the compilation and its resulting copyright are not used to limit the access or legal rights of the compilation’s users beyond what the individual works permit. Inclusion of a covered work in an aggregate does not cause this License to apply to the other parts of the aggregate.

  7. Conveying Non-Source Forms.

    You may convey a covered work in object code form under the terms of sections 4 and 5, provided that you also convey the machine-readable Corresponding Source under the terms of this License, in one of these ways:

    1. Convey the object code in, or embodied in, a physical product (including a physical distribution medium), accompanied by the Corresponding Source fixed on a durable physical medium customarily used for software interchange.
    2. Convey the object code in, or embodied in, a physical product (including a physical distribution medium), accompanied by a written offer, valid for at least three years and valid for as long as you offer spare parts or customer support for that product model, to give anyone who possesses the object code either (1) a copy of the Corresponding Source for all the software in the product that is covered by this License, on a durable physical medium customarily used for software interchange, for a price no more than your reasonable cost of physically performing this conveying of source, or (2) access to copy the Corresponding Source from a network server at no charge.
    3. Convey individual copies of the object code with a copy of the written offer to provide the Corresponding Source. This alternative is allowed only occasionally and noncommercially, and only if you received the object code with such an offer, in accord with subsection 6b.
    4. Convey the object code by offering access from a designated place (gratis or for a charge), and offer equivalent access to the Corresponding Source in the same way through the same place at no further charge. You need not require recipients to copy the Corresponding Source along with the object code. If the place to copy the object code is a network server, the Corresponding Source may be on a different server (operated by you or a third party) that supports equivalent copying facilities, provided you maintain clear directions next to the object code saying where to find the Corresponding Source. Regardless of what server hosts the Corresponding Source, you remain obligated to ensure that it is available for as long as needed to satisfy these requirements.
    5. Convey the object code using peer-to-peer transmission, provided you inform other peers where the object code and Corresponding Source of the work are being offered to the general public at no charge under subsection 6d.

    A separable portion of the object code, whose source code is excluded from the Corresponding Source as a System Library, need not be included in conveying the object code work.

    A “User Product” is either (1) a “consumer product”, which means any tangible personal property which is normally used for personal, family, or household purposes, or (2) anything designed or sold for incorporation into a dwelling. In determining whether a product is a consumer product, doubtful cases shall be resolved in favor of coverage. For a particular product received by a particular user, “normally used” refers to a typical or common use of that class of product, regardless of the status of the particular user or of the way in which the particular user actually uses, or expects or is expected to use, the product. A product is a consumer product regardless of whether the product has substantial commercial, industrial or non-consumer uses, unless such uses represent the only significant mode of use of the product.

    “Installation Information” for a User Product means any methods, procedures, authorization keys, or other information required to install and execute modified versions of a covered work in that User Product from a modified version of its Corresponding Source. The information must suffice to ensure that the continued functioning of the modified object code is in no case prevented or interfered with solely because modification has been made.

    If you convey an object code work under this section in, or with, or specifically for use in, a User Product, and the conveying occurs as part of a transaction in which the right of possession and use of the User Product is transferred to the recipient in perpetuity or for a fixed term (regardless of how the transaction is characterized), the Corresponding Source conveyed under this section must be accompanied by the Installation Information. But this requirement does not apply if neither you nor any third party retains the ability to install modified object code on the User Product (for example, the work has been installed in ROM).

    The requirement to provide Installation Information does not include a requirement to continue to provide support service, warranty, or updates for a work that has been modified or installed by the recipient, or for the User Product in which it has been modified or installed. Access to a network may be denied when the modification itself materially and adversely affects the operation of the network or violates the rules and protocols for communication across the network.

    Corresponding Source conveyed, and Installation Information provided, in accord with this section must be in a format that is publicly documented (and with an implementation available to the public in source code form), and must require no special password or key for unpacking, reading or copying.

  8. Additional Terms.

    “Additional permissions” are terms that supplement the terms of this License by making exceptions from one or more of its conditions. Additional permissions that are applicable to the entire Program shall be treated as though they were included in this License, to the extent that they are valid under applicable law. If additional permissions apply only to part of the Program, that part may be used separately under those permissions, but the entire Program remains governed by this License without regard to the additional permissions.

    When you convey a copy of a covered work, you may at your option remove any additional permissions from that copy, or from any part of it. (Additional permissions may be written to require their own removal in certain cases when you modify the work.) You may place additional permissions on material, added by you to a covered work, for which you have or can give appropriate copyright permission.

    Notwithstanding any other provision of this License, for material you add to a covered work, you may (if authorized by the copyright holders of that material) supplement the terms of this License with terms:

    1. Disclaiming warranty or limiting liability differently from the terms of sections 15 and 16 of this License; or
    2. Requiring preservation of specified reasonable legal notices or author attributions in that material or in the Appropriate Legal Notices displayed by works containing it; or
    3. Prohibiting misrepresentation of the origin of that material, or requiring that modified versions of such material be marked in reasonable ways as different from the original version; or
    4. Limiting the use for publicity purposes of names of licensors or authors of the material; or
    5. Declining to grant rights under trademark law for use of some trade names, trademarks, or service marks; or
    6. Requiring indemnification of licensors and authors of that material by anyone who conveys the material (or modified versions of it) with contractual assumptions of liability to the recipient, for any liability that these contractual assumptions directly impose on those licensors and authors.

    All other non-permissive additional terms are considered “further restrictions” within the meaning of section 10. If the Program as you received it, or any part of it, contains a notice stating that it is governed by this License along with a term that is a further restriction, you may remove that term. If a license document contains a further restriction but permits relicensing or conveying under this License, you may add to a covered work material governed by the terms of that license document, provided that the further restriction does not survive such relicensing or conveying.

    If you add terms to a covered work in accord with this section, you must place, in the relevant source files, a statement of the additional terms that apply to those files, or a notice indicating where to find the applicable terms.

    Additional terms, permissive or non-permissive, may be stated in the form of a separately written license, or stated as exceptions; the above requirements apply either way.

  9. Termination.

    You may not propagate or modify a covered work except as expressly provided under this License. Any attempt otherwise to propagate or modify it is void, and will automatically terminate your rights under this License (including any patent licenses granted under the third paragraph of section 11).

    However, if you cease all violation of this License, then your license from a particular copyright holder is reinstated (a) provisionally, unless and until the copyright holder explicitly and finally terminates your license, and (b) permanently, if the copyright holder fails to notify you of the violation by some reasonable means prior to 60 days after the cessation.

    Moreover, your license from a particular copyright holder is reinstated permanently if the copyright holder notifies you of the violation by some reasonable means, this is the first time you have received notice of violation of this License (for any work) from that copyright holder, and you cure the violation prior to 30 days after your receipt of the notice.

    Termination of your rights under this section does not terminate the licenses of parties who have received copies or rights from you under this License. If your rights have been terminated and not permanently reinstated, you do not qualify to receive new licenses for the same material under section 10.

  10. Acceptance Not Required for Having Copies.

    You are not required to accept this License in order to receive or run a copy of the Program. Ancillary propagation of a covered work occurring solely as a consequence of using peer-to-peer transmission to receive a copy likewise does not require acceptance. However, nothing other than this License grants you permission to propagate or modify any covered work. These actions infringe copyright if you do not accept this License. Therefore, by modifying or propagating a covered work, you indicate your acceptance of this License to do so.

  11. Automatic Licensing of Downstream Recipients.

    Each time you convey a covered work, the recipient automatically receives a license from the original licensors, to run, modify and propagate that work, subject to this License. You are not responsible for enforcing compliance by third parties with this License.

    An “entity transaction” is a transaction transferring control of an organization, or substantially all assets of one, or subdividing an organization, or merging organizations. If propagation of a covered work results from an entity transaction, each party to that transaction who receives a copy of the work also receives whatever licenses to the work the party’s predecessor in interest had or could give under the previous paragraph, plus a right to possession of the Corresponding Source of the work from the predecessor in interest, if the predecessor has it or can get it with reasonable efforts.

    You may not impose any further restrictions on the exercise of the rights granted or affirmed under this License. For example, you may not impose a license fee, royalty, or other charge for exercise of rights granted under this License, and you may not initiate litigation (including a cross-claim or counterclaim in a lawsuit) alleging that any patent claim is infringed by making, using, selling, offering for sale, or importing the Program or any portion of it.

  12. Patents.

    A “contributor” is a copyright holder who authorizes use under this License of the Program or a work on which the Program is based. The work thus licensed is called the contributor’s “contributor version”.

    A contributor’s “essential patent claims” are all patent claims owned or controlled by the contributor, whether already acquired or hereafter acquired, that would be infringed by some manner, permitted by this License, of making, using, or selling its contributor version, but do not include claims that would be infringed only as a consequence of further modification of the contributor version. For purposes of this definition, “control” includes the right to grant patent sublicenses in a manner consistent with the requirements of this License.

    Each contributor grants you a non-exclusive, worldwide, royalty-free patent license under the contributor’s essential patent claims, to make, use, sell, offer for sale, import and otherwise run, modify and propagate the contents of its contributor version.

    In the following three paragraphs, a “patent license” is any express agreement or commitment, however denominated, not to enforce a patent (such as an express permission to practice a patent or covenant not to sue for patent infringement). To “grant” such a patent license to a party means to make such an agreement or commitment not to enforce a patent against the party.

    If you convey a covered work, knowingly relying on a patent license, and the Corresponding Source of the work is not available for anyone to copy, free of charge and under the terms of this License, through a publicly available network server or other readily accessible means, then you must either (1) cause the Corresponding Source to be so available, or (2) arrange to deprive yourself of the benefit of the patent license for this particular work, or (3) arrange, in a manner consistent with the requirements of this License, to extend the patent license to downstream recipients. “Knowingly relying” means you have actual knowledge that, but for the patent license, your conveying the covered work in a country, or your recipient’s use of the covered work in a country, would infringe one or more identifiable patents in that country that you have reason to believe are valid.

    If, pursuant to or in connection with a single transaction or arrangement, you convey, or propagate by procuring conveyance of, a covered work, and grant a patent license to some of the parties receiving the covered work authorizing them to use, propagate, modify or convey a specific copy of the covered work, then the patent license you grant is automatically extended to all recipients of the covered work and works based on it.

    A patent license is “discriminatory” if it does not include within the scope of its coverage, prohibits the exercise of, or is conditioned on the non-exercise of one or more of the rights that are specifically granted under this License. You may not convey a covered work if you are a party to an arrangement with a third party that is in the business of distributing software, under which you make payment to the third party based on the extent of your activity of conveying the work, and under which the third party grants, to any of the parties who would receive the covered work from you, a discriminatory patent license (a) in connection with copies of the covered work conveyed by you (or copies made from those copies), or (b) primarily for and in connection with specific products or compilations that contain the covered work, unless you entered into that arrangement, or that patent license was granted, prior to 28 March 2007.

    Nothing in this License shall be construed as excluding or limiting any implied license or other defenses to infringement that may otherwise be available to you under applicable patent law.

  13. No Surrender of Others’ Freedom.

    If conditions are imposed on you (whether by court order, agreement or otherwise) that contradict the conditions of this License, they do not excuse you from the conditions of this License. If you cannot convey a covered work so as to satisfy simultaneously your obligations under this License and any other pertinent obligations, then as a consequence you may not convey it at all. For example, if you agree to terms that obligate you to collect a royalty for further conveying from those to whom you convey the Program, the only way you could satisfy both those terms and this License would be to refrain entirely from conveying the Program.

  14. Remote Network Interaction; Use with the GNU General Public License.

    Notwithstanding any other provision of this License, if you modify the Program, your modified version must prominently offer all users interacting with it remotely through a network (if your version supports such interaction) an opportunity to receive the Corresponding Source of your version by providing access to the Corresponding Source from a network server at no charge, through some standard or customary means of facilitating copying of software. This Corresponding Source shall include the Corresponding Source for any work covered by version 3 of the GNU General Public License that is incorporated pursuant to the following paragraph.

    Notwithstanding any other provision of this License, you have permission to link or combine any covered work with a work licensed under version 3 of the GNU General Public License into a single combined work, and to convey the resulting work. The terms of this License will continue to apply to the part which is the covered work, but the work with which it is combined will remain governed by version 3 of the GNU General Public License.

  15. Revised Versions of this License.

    The Free Software Foundation may publish revised and/or new versions of the GNU Affero General Public License from time to time. Such new versions will be similar in spirit to the present version, but may differ in detail to address new problems or concerns.

    Each version is given a distinguishing version number. If the Program specifies that a certain numbered version of the GNU Affero General Public License “or any later version” applies to it, you have the option of following the terms and conditions either of that numbered version or of any later version published by the Free Software Foundation. If the Program does not specify a version number of the GNU Affero General Public License, you may choose any version ever published by the Free Software Foundation.

    If the Program specifies that a proxy can decide which future versions of the GNU Affero General Public License can be used, that proxy’s public statement of acceptance of a version permanently authorizes you to choose that version for the Program.

    Later license versions may give you additional or different permissions. However, no additional obligations are imposed on any author or copyright holder as a result of your choosing to follow a later version.

  16. Disclaimer of Warranty.

    THERE IS NO WARRANTY FOR THE PROGRAM, TO THE EXTENT PERMITTED BY APPLICABLE LAW. EXCEPT WHEN OTHERWISE STATED IN WRITING THE COPYRIGHT HOLDERS AND/OR OTHER PARTIES PROVIDE THE PROGRAM “AS IS” WITHOUT WARRANTY OF ANY KIND, EITHER EXPRESSED OR IMPLIED, INCLUDING, BUT NOT LIMITED TO, THE IMPLIED WARRANTIES OF MERCHANTABILITY AND FITNESS FOR A PARTICULAR PURPOSE. THE ENTIRE RISK AS TO THE QUALITY AND PERFORMANCE OF THE PROGRAM IS WITH YOU. SHOULD THE PROGRAM PROVE DEFECTIVE, YOU ASSUME THE COST OF ALL NECESSARY SERVICING, REPAIR OR CORRECTION.

  17. Limitation of Liability.

    IN NO EVENT UNLESS REQUIRED BY APPLICABLE LAW OR AGREED TO IN WRITING WILL ANY COPYRIGHT HOLDER, OR ANY OTHER PARTY WHO MODIFIES AND/OR CONVEYS THE PROGRAM AS PERMITTED ABOVE, BE LIABLE TO YOU FOR DAMAGES, INCLUDING ANY GENERAL, SPECIAL, INCIDENTAL OR CONSEQUENTIAL DAMAGES ARISING OUT OF THE USE OR INABILITY TO USE THE PROGRAM (INCLUDING BUT NOT LIMITED TO LOSS OF DATA OR DATA BEING RENDERED INACCURATE OR LOSSES SUSTAINED BY YOU OR THIRD PARTIES OR A FAILURE OF THE PROGRAM TO OPERATE WITH ANY OTHER PROGRAMS), EVEN IF SUCH HOLDER OR OTHER PARTY HAS BEEN ADVISED OF THE POSSIBILITY OF SUCH DAMAGES.

  18. Interpretation of Sections 15 and 16.

    If the disclaimer of warranty and limitation of liability provided above cannot be given local legal effect according to their terms, reviewing courts shall apply local law that most closely approximates an absolute waiver of all civil liability in connection with the Program, unless a warranty or assumption of liability accompanies a copy of the Program in return for a fee.

END OF TERMS AND CONDITIONS

How to Apply These Terms to Your New Programs

If you develop a new program, and you want it to be of the greatest possible use to the public, the best way to achieve this is to make it free software which everyone can redistribute and change under these terms.

To do so, attach the following notices to the program. It is safest to attach them to the start of each source file to most effectively state the exclusion of warranty; and each file should have at least the “copyright” line and a pointer to where the full notice is found.

one line to give the program's name and a brief idea of what it does.
Copyright (C) year name of author

This program is free software: you can redistribute it and/or modify
it under the terms of the GNU Affero General Public License as published by
the Free Software Foundation, either version 3 of the License, or (at
your option) any later version.

This program is distributed in the hope that it will be useful, but
WITHOUT ANY WARRANTY; without even the implied warranty of
MERCHANTABILITY or FITNESS FOR A PARTICULAR PURPOSE.  See the GNU
Affero General Public License for more details.

You should have received a copy of the GNU Affero General Public License
along with this program.  If not, see http://www.gnu.org/licenses/.

Also add information on how to contact you by electronic and paper mail.

If your software can interact with users remotely through a network, you should also make sure that it provides a way for users to get its source. For example, if your program is a web application, its interface could display a “Source” link that leads users to an archive of the code. There are many ways you could offer source, and different solutions will be better for different programs; see section 13 for the specific requirements.

You should also get your employer (if you work as a programmer) or school, if any, to sign a “copyright disclaimer” for the program, if necessary. For more information on this, and how to apply and follow the GNU AGPL, see http://www.gnu.org/licenses/.


GNU Free Documentation License



GNU FREE DOCUMENTATION LICENSE
Version 1.3, 3 November 2008
Copyright © 2000, 2001, 2002, 2007, 2008 Free Software Foundation, Inc.
http://fsf.org/

Everyone is permitted to copy and distribute verbatim copies
of this license document, but changing it is not allowed.
  1. PREAMBLE

    The purpose of this License is to make a manual, textbook, or other functional and useful document free in the sense of freedom: to assure everyone the effective freedom to copy and redistribute it, with or without modifying it, either commercially or noncommercially. Secondarily, this License preserves for the author and publisher a way to get credit for their work, while not being considered responsible for modifications made by others.

    This License is a kind of “copyleft”, which means that derivative works of the document must themselves be free in the same sense. It complements the GNU General Public License, which is a copyleft license designed for free software.

    We have designed this License in order to use it for manuals for free software, because free software needs free documentation: a free program should come with manuals providing the same freedoms that the software does. But this License is not limited to software manuals; it can be used for any textual work, regardless of subject matter or whether it is published as a printed book. We recommend this License principally for works whose purpose is instruction or reference.

  2. APPLICABILITY AND DEFINITIONS

    This License applies to any manual or other work, in any medium, that contains a notice placed by the copyright holder saying it can be distributed under the terms of this License. Such a notice grants a world-wide, royalty-free license, unlimited in duration, to use that work under the conditions stated herein. The “Document”, below, refers to any such manual or work. Any member of the public is a licensee, and is addressed as “you”. You accept the license if you copy, modify or distribute the work in a way requiring permission under copyright law.

    A “Modified Version” of the Document means any work containing the Document or a portion of it, either copied verbatim, or with modifications and/or translated into another language.

    A “Secondary Section” is a named appendix or a front-matter section of the Document that deals exclusively with the relationship of the publishers or authors of the Document to the Document’s overall subject (or to related matters) and contains nothing that could fall directly within that overall subject. (Thus, if the Document is in part a textbook of mathematics, a Secondary Section may not explain any mathematics.) The relationship could be a matter of historical connection with the subject or with related matters, or of legal, commercial, philosophical, ethical or political position regarding them.

    The “Invariant Sections” are certain Secondary Sections whose titles are designated, as being those of Invariant Sections, in the notice that says that the Document is released under this License. If a section does not fit the above definition of Secondary then it is not allowed to be designated as Invariant. The Document may contain zero Invariant Sections. If the Document does not identify any Invariant Sections then there are none.

    The “Cover Texts” are certain short passages of text that are listed, as Front-Cover Texts or Back-Cover Texts, in the notice that says that the Document is released under this License. A Front-Cover Text may be at most 5 words, and a Back-Cover Text may be at most 25 words.

    A “Transparent” copy of the Document means a machine-readable copy, represented in a format whose specification is available to the general public, that is suitable for revising the document straightforwardly with generic text editors or (for images composed of pixels) generic paint programs or (for drawings) some widely available drawing editor, and that is suitable for input to text formatters or for automatic translation to a variety of formats suitable for input to text formatters. A copy made in an otherwise Transparent file format whose markup, or absence of markup, has been arranged to thwart or discourage subsequent modification by readers is not Transparent. An image format is not Transparent if used for any substantial amount of text. A copy that is not “Transparent” is called “Opaque”.

    Examples of suitable formats for Transparent copies include plain ASCII without markup, Texinfo input format, LaTeX input format, SGML or XML using a publicly available DTD, and standard-conforming simple HTML, PostScript or PDF designed for human modification. Examples of transparent image formats include PNG, XCF and JPG. Opaque formats include proprietary formats that can be read and edited only by proprietary word processors, SGML or XML for which the DTD and/or processing tools are not generally available, and the machine-generated HTML, PostScript or PDF produced by some word processors for output purposes only.

    The “Title Page” means, for a printed book, the title page itself, plus such following pages as are needed to hold, legibly, the material this License requires to appear in the title page. For works in formats which do not have any title page as such, “Title Page” means the text near the most prominent appearance of the work’s title, preceding the beginning of the body of the text.

    The “publisher” means any person or entity that distributes copies of the Document to the public.

    A section “Entitled XYZ” means a named subunit of the Document whose title either is precisely XYZ or contains XYZ in parentheses following text that translates XYZ in another language. (Here XYZ stands for a specific section name mentioned below, such as “Acknowledgements”, “Dedications”, “Endorsements”, or “History”.) To “Preserve the Title” of such a section when you modify the Document means that it remains a section “Entitled XYZ” according to this definition.

    The Document may include Warranty Disclaimers next to the notice which states that this License applies to the Document. These Warranty Disclaimers are considered to be included by reference in this License, but only as regards disclaiming warranties: any other implication that these Warranty Disclaimers may have is void and has no effect on the meaning of this License.

  3. VERBATIM COPYING

    You may copy and distribute the Document in any medium, either commercially or noncommercially, provided that this License, the copyright notices, and the license notice saying this License applies to the Document are reproduced in all copies, and that you add no other conditions whatsoever to those of this License. You may not use technical measures to obstruct or control the reading or further copying of the copies you make or distribute. However, you may accept compensation in exchange for copies. If you distribute a large enough number of copies you must also follow the conditions in section 3.

    You may also lend copies, under the same conditions stated above, and you may publicly display copies.

  4. COPYING IN QUANTITY

    If you publish printed copies (or copies in media that commonly have printed covers) of the Document, numbering more than 100, and the Document’s license notice requires Cover Texts, you must enclose the copies in covers that carry, clearly and legibly, all these Cover Texts: Front-Cover Texts on the front cover, and Back-Cover Texts on the back cover. Both covers must also clearly and legibly identify you as the publisher of these copies. The front cover must present the full title with all words of the title equally prominent and visible. You may add other material on the covers in addition. Copying with changes limited to the covers, as long as they preserve the title of the Document and satisfy these conditions, can be treated as verbatim copying in other respects.

    If the required texts for either cover are too voluminous to fit legibly, you should put the first ones listed (as many as fit reasonably) on the actual cover, and continue the rest onto adjacent pages.

    If you publish or distribute Opaque copies of the Document numbering more than 100, you must either include a machine-readable Transparent copy along with each Opaque copy, or state in or with each Opaque copy a computer-network location from which the general network-using public has access to download using public-standard network protocols a complete Transparent copy of the Document, free of added material. If you use the latter option, you must take reasonably prudent steps, when you begin distribution of Opaque copies in quantity, to ensure that this Transparent copy will remain thus accessible at the stated location until at least one year after the last time you distribute an Opaque copy (directly or through your agents or retailers) of that edition to the public.

    It is requested, but not required, that you contact the authors of the Document well before redistributing any large number of copies, to give them a chance to provide you with an updated version of the Document.

  5. MODIFICATIONS

    You may copy and distribute a Modified Version of the Document under the conditions of sections 2 and 3 above, provided that you release the Modified Version under precisely this License, with the Modified Version filling the role of the Document, thus licensing distribution and modification of the Modified Version to whoever possesses a copy of it. In addition, you must do these things in the Modified Version:

    1. Use in the Title Page (and on the covers, if any) a title distinct from that of the Document, and from those of previous versions (which should, if there were any, be listed in the History section of the Document). You may use the same title as a previous version if the original publisher of that version gives permission.
    2. List on the Title Page, as authors, one or more persons or entities responsible for authorship of the modifications in the Modified Version, together with at least five of the principal authors of the Document (all of its principal authors, if it has fewer than five), unless they release you from this requirement.
    3. State on the Title page the name of the publisher of the Modified Version, as the publisher.
    4. Preserve all the copyright notices of the Document.
    5. Add an appropriate copyright notice for your modifications adjacent to the other copyright notices.
    6. Include, immediately after the copyright notices, a license notice giving the public permission to use the Modified Version under the terms of this License, in the form shown in the Addendum below.
    7. Preserve in that license notice the full lists of Invariant Sections and required Cover Texts given in the Document’s license notice.
    8. Include an unaltered copy of this License.
    9. Preserve the section Entitled “History”, Preserve its Title, and add to it an item stating at least the title, year, new authors, and publisher of the Modified Version as given on the Title Page. If there is no section Entitled “History” in the Document, create one stating the title, year, authors, and publisher of the Document as given on its Title Page, then add an item describing the Modified Version as stated in the previous sentence.
    10. Preserve the network location, if any, given in the Document for public access to a Transparent copy of the Document, and likewise the network locations given in the Document for previous versions it was based on. These may be placed in the “History” section. You may omit a network location for a work that was published at least four years before the Document itself, or if the original publisher of the version it refers to gives permission.
    11. For any section Entitled “Acknowledgements” or “Dedications”, Preserve the Title of the section, and preserve in the section all the substance and tone of each of the contributor acknowledgements and/or dedications given therein.
    12. Preserve all the Invariant Sections of the Document, unaltered in their text and in their titles. Section numbers or the equivalent are not considered part of the section titles.
    13. Delete any section Entitled “Endorsements”. Such a section may not be included in the Modified Version.
    14. Do not retitle any existing section to be Entitled “Endorsements” or to conflict in title with any Invariant Section.
    15. Preserve any Warranty Disclaimers.

    If the Modified Version includes new front-matter sections or appendices that qualify as Secondary Sections and contain no material copied from the Document, you may at your option designate some or all of these sections as invariant. To do this, add their titles to the list of Invariant Sections in the Modified Version’s license notice. These titles must be distinct from any other section titles.

    You may add a section Entitled “Endorsements”, provided it contains nothing but endorsements of your Modified Version by various parties—for example, statements of peer review or that the text has been approved by an organization as the authoritative definition of a standard.

    You may add a passage of up to five words as a Front-Cover Text, and a passage of up to 25 words as a Back-Cover Text, to the end of the list of Cover Texts in the Modified Version. Only one passage of Front-Cover Text and one of Back-Cover Text may be added by (or through arrangements made by) any one entity. If the Document already includes a cover text for the same cover, previously added by you or by arrangement made by the same entity you are acting on behalf of, you may not add another; but you may replace the old one, on explicit permission from the previous publisher that added the old one.

    The author(s) and publisher(s) of the Document do not by this License give permission to use their names for publicity for or to assert or imply endorsement of any Modified Version.

  6. COMBINING DOCUMENTS

    You may combine the Document with other documents released under this License, under the terms defined in section 4 above for modified versions, provided that you include in the combination all of the Invariant Sections of all of the original documents, unmodified, and list them all as Invariant Sections of your combined work in its license notice, and that you preserve all their Warranty Disclaimers.

    The combined work need only contain one copy of this License, and multiple identical Invariant Sections may be replaced with a single copy. If there are multiple Invariant Sections with the same name but different contents, make the title of each such section unique by adding at the end of it, in parentheses, the name of the original author or publisher of that section if known, or else a unique number. Make the same adjustment to the section titles in the list of Invariant Sections in the license notice of the combined work.

    In the combination, you must combine any sections Entitled “History” in the various original documents, forming one section Entitled “History”; likewise combine any sections Entitled “Acknowledgements”, and any sections Entitled “Dedications”. You must delete all sections Entitled “Endorsements.”

  7. COLLECTIONS OF DOCUMENTS

    You may make a collection consisting of the Document and other documents released under this License, and replace the individual copies of this License in the various documents with a single copy that is included in the collection, provided that you follow the rules of this License for verbatim copying of each of the documents in all other respects.

    You may extract a single document from such a collection, and distribute it individually under this License, provided you insert a copy of this License into the extracted document, and follow this License in all other respects regarding verbatim copying of that document.

  8. AGGREGATION WITH INDEPENDENT WORKS

    A compilation of the Document or its derivatives with other separate and independent documents or works, in or on a volume of a storage or distribution medium, is called an “aggregate” if the copyright resulting from the compilation is not used to limit the legal rights of the compilation’s users beyond what the individual works permit. When the Document is included in an aggregate, this License does not apply to the other works in the aggregate which are not themselves derivative works of the Document.

    If the Cover Text requirement of section 3 is applicable to these copies of the Document, then if the Document is less than one half of the entire aggregate, the Document’s Cover Texts may be placed on covers that bracket the Document within the aggregate, or the electronic equivalent of covers if the Document is in electronic form. Otherwise they must appear on printed covers that bracket the whole aggregate.

  9. TRANSLATION

    Translation is considered a kind of modification, so you may distribute translations of the Document under the terms of section 4. Replacing Invariant Sections with translations requires special permission from their copyright holders, but you may include translations of some or all Invariant Sections in addition to the original versions of these Invariant Sections. You may include a translation of this License, and all the license notices in the Document, and any Warranty Disclaimers, provided that you also include the original English version of this License and the original versions of those notices and disclaimers. In case of a disagreement between the translation and the original version of this License or a notice or disclaimer, the original version will prevail.

    If a section in the Document is Entitled “Acknowledgements”, “Dedications”, or “History”, the requirement (section 4) to Preserve its Title (section 1) will typically require changing the actual title.

  10. TERMINATION

    You may not copy, modify, sublicense, or distribute the Document except as expressly provided under this License. Any attempt otherwise to copy, modify, sublicense, or distribute it is void, and will automatically terminate your rights under this License.

    However, if you cease all violation of this License, then your license from a particular copyright holder is reinstated (a) provisionally, unless and until the copyright holder explicitly and finally terminates your license, and (b) permanently, if the copyright holder fails to notify you of the violation by some reasonable means prior to 60 days after the cessation.

    Moreover, your license from a particular copyright holder is reinstated permanently if the copyright holder notifies you of the violation by some reasonable means, this is the first time you have received notice of violation of this License (for any work) from that copyright holder, and you cure the violation prior to 30 days after your receipt of the notice.

    Termination of your rights under this section does not terminate the licenses of parties who have received copies or rights from you under this License. If your rights have been terminated and not permanently reinstated, receipt of a copy of some or all of the same material does not give you any rights to use it.

  11. FUTURE REVISIONS OF THIS LICENSE

    The Free Software Foundation may publish new, revised versions of the GNU Free Documentation License from time to time. Such new versions will be similar in spirit to the present version, but may differ in detail to address new problems or concerns. See http://www.gnu.org/copyleft/.

    Each version of the License is given a distinguishing version number. If the Document specifies that a particular numbered version of this License “or any later version” applies to it, you have the option of following the terms and conditions either of that specified version or of any later version that has been published (not as a draft) by the Free Software Foundation. If the Document does not specify a version number of this License, you may choose any version ever published (not as a draft) by the Free Software Foundation. If the Document specifies that a proxy can decide which future versions of this License can be used, that proxy’s public statement of acceptance of a version permanently authorizes you to choose that version for the Document.

  12. RELICENSING

    “Massive Multiauthor Collaboration Site” (or “MMC Site”) means any World Wide Web server that publishes copyrightable works and also provides prominent facilities for anybody to edit those works. A public wiki that anybody can edit is an example of such a server. A “Massive Multiauthor Collaboration” (or “MMC”) contained in the site means any set of copyrightable works thus published on the MMC site.

    “CC-BY-SA” means the Creative Commons Attribution-Share Alike 3.0 license published by Creative Commons Corporation, a not-for-profit corporation with a principal place of business in San Francisco, California, as well as future copyleft versions of that license published by that same organization.

    “Incorporate” means to publish or republish a Document, in whole or in part, as part of another Document.

    An MMC is “eligible for relicensing” if it is licensed under this License, and if all works that were first published under this License somewhere other than this MMC, and subsequently incorporated in whole or in part into the MMC, (1) had no cover texts or invariant sections, and (2) were thus incorporated prior to November 1, 2008.

    The operator of an MMC Site may republish an MMC contained in the site under CC-BY-SA on the same site at any time before August 1, 2009, provided the MMC is eligible for relicensing.

ADDENDUM: How to use this License for your documents

To use this License in a document you have written, include a copy of the License in the document and put the following copyright and license notices just after the title page:

  Copyright (C)  year  your name.
  Permission is granted to copy, distribute and/or modify this document
  under the terms of the GNU Free Documentation License, Version 1.3
  or any later version published by the Free Software Foundation;
  with no Invariant Sections, no Front-Cover Texts, and no Back-Cover
  Texts.  A copy of the license is included in the section entitled ``GNU
  Free Documentation License''.

If you have Invariant Sections, Front-Cover Texts and Back-Cover Texts, replace the “with…Texts.” line with this:

    with the Invariant Sections being list their titles, with
    the Front-Cover Texts being list, and with the Back-Cover Texts
    being list.

If you have Invariant Sections without Cover Texts, or some other combination of the three, merge those two alternatives to suit the situation.

If your document contains nontrivial examples of program code, we recommend releasing these examples in parallel under your choice of free software license, such as the GNU General Public License, to permit their use in free software.


Index

Jump to:   A   D   H   I   L   M   N   O   P   R   S   T   U   V  
Index Entry  Section

A
Application architecture: Application Architecture
Application background: Application Background
Application objectives: Application Objectives
Application requirements: Application Requirements

D
Document abstract: Preface
Document audience: Preface
Document disclaimer: Preface
Document information: Preface
Document intent: Preface
Document objective: Preface
Document organization: Preface
Document revisions: Preface

H
Hardware architecture: Hardware Architecture

I
Internet Protocol (IP) driver: Internet Protocol (IP) Driver
Introduction: Introduction

L
license, AGPL: GNU Affero General Public License
license, FDL: GNU Free Documentation License
license, GNU Affero General Public License: GNU Affero General Public License
license, GNU Free Documentation License: GNU Free Documentation License
Linux Operating System: Linux Operating System
Logistics: Logistics

M
M3UA: OpenSS7 SS7 and SIGTRAN Stacks
M3UA: OpenSS7 SS7 and SIGTRAN Stacks
Management Architecture: Management Architecture
Media Gateway (MG) driver: Media Gateway (MG) Driver
Media Gateway (MG) stack manager: Media Gateway (MG) Stack Manager
Media Gateway (MG) switching application: Media Gateway (MG) Switching Application
MEGACO/H.248 (H248) driver: MEGACO/H.248 (H248) Driver
Message flows: Message Flows
Multiplex/Channel (MX/CH) driver: Multiplex/Channel (MX/CH) Driver

N
Network architecture: Network Architecture

O
OpenSS7 SS7 and SIGTRAN Stacks: OpenSS7 SS7 and SIGTRAN Stacks
Operations architecture: Operations Architecture
Optional Application Support: Optional Application Support
Optional Hardware Support: Optional Hardware Support
Optional Management Support: Optional Management Support
Optional Network Support: Optional Network Support
Optional Platform Support: Optional Platform Support
Optional Protocol Support: Optional Protocol Support
Optional Software Support: Optional Software Support
Optional System Support: Optional System Support

P
PCI 532 DE Multiplex (MX) driver: PCI 532 DE Multiplex (MX) Driver
Platform architecture: Platform Architecture
Platform capacity: Platform Capacity
Platform sizing: Platform Sizing
Programmatic interfaces: Programmatic Interfaces
Project drivers: Project Drivers
Project gates: Gates
Project phases: Phases
Protocol architecture: Protocol Architecture
Protocol components: Protocol Components

R
Real-Time Transport (Control) Protocol (RTP/RTCP) driver: Real-Time Transport (Control) Protocol (RTP/RTCP) Driver
Reference architecture: Reference Architecture

S
schedule: Schedule
Scope: Scope
SCTP: Stream Control Transmission Protocol (SCTP) Driver
Software architecture: Software Architecture
Solution architecture: Solution Architecture
Stream Control Transmission Protocol (SCTP) Driver: Stream Control Transmission Protocol (SCTP) Driver
STREAMS Facility: STREAMS Facility
System architecture: System Architecture

T
The OpenSS7 Media Gateway: The OpenSS7 Media Gateway
Transmission Control Protocol (TCP) driver: Transmission Control Protocol (TCP) Driver

U
User Datagram Protocol (UDP) driver: User Datagram Protocol (UDP) Driver

V
V401P Multiplex (MX) driver: V401P Multiplex (MX) Driver
Voice Trunking over IP (VToIP) driver: Voice Trunking over IP (VToIP) Driver

Jump to:   A   D   H   I   L   M   N   O   P   R   S   T   U   V  

Short Table of Contents

Table of Contents


Footnotes

(1)

This document is a High-Level Design document and it meets the internal requirements for passing Gate 1 of Phase 1 and Phase 2 of the project. An external review of this document by a Beta or Gamma client or sponsor is pending.

(2)

OpenSS7 requires a contractual commitment for purchase from a Beta or Gamma client, or funding from a Sponsor of the OpenSS7 Project, before this gate can be passed and development started.

(3)

This section is not intended as a Detailed Design, but provides illustration only for these High-Level Design.

(4)

For detailing sizing considrations, see Platform Sizing.


Last modified: Wed, 29 Oct 2014 10:46:48 GMT  
Copyright © 2014 OpenSS7 Corporation All Rights Reserved.